美彩国际

电源模块,模块电源,军用电源,铁路电源,定制电源模块
全国咨询热线:010-61703492

美彩国际

DC-DC电源

DC-DC电源模块WDE50-125系列(50-125W)

典型性能: 50-125W输出功率; 工业标准1/8砖电源; 宽电压输入; 产品尺寸2.4X1 inches(60.9X25.4X12.7mm); 高隔离电压; 带有遥控和输出调节功能
产品详情

  应用领域

  ◆ 电信 ◆ 数据互换 ◆ 电力系统 ◆ 计算机系统

  产品性能

输入电压 Vdc

18-75

遥控特性
(正逻辑)

遥控端接-Vin或低电平,禁止输出

遥控端悬空或接高电平,正常工作

遥控特性
(负逻辑,尾缀/P

遥控端接-Vin或低电平,正常工作

遥控端悬空或接高电平,禁止输出

输出电压精度 %

±1

电压调节 %Vo

±10

负载调整率 %

±0.5

电压调整率 %

±0.3

动态响应
(过冲/恢复时间)

±4%Vo/400us

纹波/噪声(mV

Vo5Vdc50

Vo12Vdc150

工作壳温

-40 - +100

开关频率KHz

300

短路保护

长期短路自恢复

隔离耐压

输入-输出:1500Vdc

输入-壳:1500Vac

输出-壳:500Vdc

MTBF

2×106

安规要求

GB 9254-2008

  产品选型

型号

输入电压Vdc

输出电压Vdc

输出电流A

效率%

容性能力UF

WDE50-48S3V3

36-75

3.3

10

88

10000

WDE50-48S5

5

10

92

10000

WDE50-48S12W

18-75

12

4.2

89

1000

WDE75-48S5W

5

15

92

10000

WDE75-48S12

36-75

12

6.25

92

2200

WDE100-48S1V8

1.8

20

88

10000

WDE100-48S2V5

2.5

20

90

10000

WDE100-48S3V3

3.3

20

91

10000

WDE100-48S5

5

20

93

10000

WDE125-24S3V3

18-36

3.3

25

91

10000

WDE125-48S1V8

36-75

1.8

25

85

10000

WDE125-48S2V5

2.5

25

91

10000

WDE125-48S3V3

3.3

25

91

10000

WDE125-48S5

5

25

92

10000


  注1:此产品需要辅助散热措施。

  注2:满足安规要求需要外围电路,详见产品单页说明书。

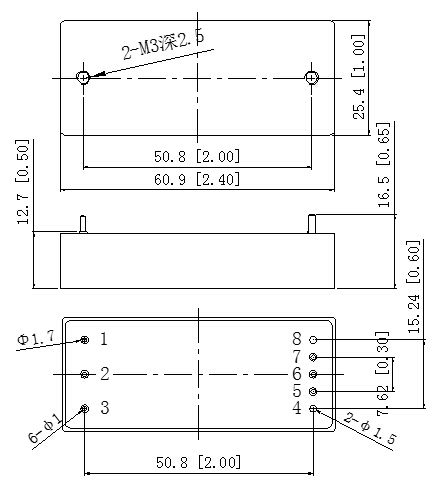
  外型尺寸

  管脚定义

管脚

描述

1

输入负

2

遥控端

3

输入正

4

输出正

5

正补偿

6

输出调节端

7

负补偿

8

输出负


更多产品

我们有专业的定制开发团队,可以根据实际的需求来量身订造的轴承应用解决方案。从方案指定,确定方案,订单生产及现场安装,全程贴心服务。如果有需要,请拨打010-61703492电话,我们将尽快安排专业的人员联系您。

天天中彩票-Welcome首页 500505百万文字论坛综合资料-500308百万文字论坛-780790百万文字论坛红字-798790百万文字论坛下载-500505百万文字论坛雷锋版 乐发vll500 乐盈VI E乐彩-首页 佰富彩-安全购彩 旭彩网 - welcome 98彩票|官方网站