输入电压 Vdc | 9-36 | |
输出电压精度 % | ±1 | |
负载调整率 % | ±0.5 | |
电压调整率 % | ±0.2 | |
动态响应 (过冲/恢复时间) |
±4%Vo/400us | |
纹波/噪声(mV) | Vo≤5Vdc:50 | |
Other:100 | ||
工作壳温 | -40℃ - +105℃ | |
开关频率KHz | 300 | |
短路保护 | 长期短路自恢复 | |
隔离耐压 | 输入-输出:1500Vdc | |
输入-壳:1500Vdc | ||
输出-壳:500Vdc | ||
MTBF | 3×105 | |
安规要求 | GB 9254-2008 | |
军用常规产品命名规则 | ||
例如:WD25-24S12 G注① A注② | ||
质量等级注① | ||
D级 | 工业级筛选 | |
G级 | 普通军级产品 | |
H级 | 军级产品 | |
K级 | 航天级产品 | |
温度等级注② | 工作壳温℃ | 工作环温℃ |
A级 | -40 - +95 | -40 - +55 |
B级 | -40 - +95 | -40 - +70 |
C级 | -55 - +95 | -55 - +70 |
D级 | -40 - +105 | -40 - +85 |
E级 | -55 - +105 | -55 - +85 |
F级 | 为客户特殊定制温度范围 |
型号 | 输入电压Vdc | 输出电压Vdc | 输出电流A | 效率% | 容性能力UF |
WDJ25-12S3V3 | 9-18 | 3.3 | 5 | 82 | 4700 |
WDJ25-12S5 | 5 | 5 | 82 | 4700 | |
WDJ25-12S12 | 12 | 2.08 | 83 | 1000 | |
WDJ25-12S15 | 15 | 1.67 | 83 | 1000 | |
WDJ25-12S24 | 24 | 1.04 | 84 | 470 | |
WDJ25-24S3V3 |
18-36 W:9-36 |
3.3 | 5 | 82 | 4700 |
WDJ25-24S5 | 5 | 5 | 82 | 4700 | |
WDJ25-24S12 | 12 | 2.08 | 84 | 1000 | |
WDJ25-24S15 | 15 | 1.67 | 84 | 1000 | |
WDJ25-24S24 | 24 | 1.04 | 85 | 470 | |
WDJ25-12D5 | 9-18 | +5/-5 | +2.5/-2.5 | 80 | 2200/2200 |
WDJ25-12D12 | +12/-12 | +1.04/-1.04 | 83 | 1000/1000 | |
WDJ25-12D15 | +15/-15 | +0.83/-0.83 | 83 | 470/470 | |
WDJ25-24D5 | 18-36 | +5/-5 | +2.5/-2.5 | 85 | 2200/2200 |
WDJ25-24D12 | +12/-12 | +1.04/-1.04 | 84 | 1000/1000 | |
WDJ25-24D15 | +15/-15 | +0.83/-0.83 | 84 | 470 | |
WDJ35-12S3V3 | 9-18 | 3.3 | 7 | 86 | 10000 |
WDJ35-12S5 | 5 | 7 | 86 | 4700 | |
WDJ35-12S12 | 12 | 2.9 | 86 | 1000 | |
WDJ35-12S15 | 15 | 2.33 | 86 | 1000 | |
WDJ35-12S24 | 24 | 1.45 | 86 | 470 | |
WDJ35-24S3V3 |
18-36 W:9-36 |
3.3 | 7 | 86 | 10000 |
WDJ35-24S5 | 5 | 7 | 86 | 4700 | |
WDJ35-24S12 | 12 | 2.9 | 86 | 1000 | |
WDJ35-24S15 | 15 | 2.33 | 86 | 1000 | |
WDJ35-24S24 | 24 | 1.45 | 86 | 470 | |
WDJ35-12D5 | 9-18 | +5/-5 | +3.5/-3.5 | 80 | 2200/2200 |
WDJ35-12D12 | +12/-12 | +1.4/-1.4 | 83 | 1000/1000 | |
WDJ35-12D15 | +15/-15 | +1.15/-1.15 | 83 | 1000/1000 | |
WDJ35-24D5 | 18-36 | +5/-5 | +3.5/-3.5 | 81 | 2200/2200 |
WDJ35-24D12 | +12/-12 | +1.4/-1.4 | 84 | 1000/1000 | |
WDJ35-24D15 | +15/-15 | +1.15/-1.15 | 84 | 1000/1000 |
型号 | 输入电Vdc | 输出电压Vdc | 输出电流A | 效率% | 容性能力UF |
WDJ40-12S3V3 | 9-18 | 3.3 | 8 | 84 | 10000 |
WDJ40-12S5 | 5 | 8 | 85 | 4700 | |
WDJ40-12S12 | 12 | 3.33 | 85 | 1000 | |
WDJ40-12S15 | 15 | 2.66 | 85 | 1000 | |
WDJ40-12S24 | 24 | 1.66 | 85 | 470 | |
WDJ40-24S3V3 |
18-36 W:9-36 |
3.3 | 8 | 84 | 10000 |
WDJ40-24S5 | 5 | 8 | 85 | 4700 | |
WDJ40-24S12 | 12 | 3.33 | 86 | 1000 | |
WDJ40-24S15 | 15 | 2.66 | 86 | 1000 | |
WDJ40-24S24 | 24 | 1.66 | 86 | 470 | |
WDJ40-12D5 | 9-18 | +5/-5 | 4/-4 | 80 | 2200/2200 |
WDJ40-12D12 | +12/-12 | 1.67/-1.67 | 82 | 1000/1000 | |
WDJ40-12D15 | +15/-15 | 1.33/-1.33 | 82 | 1000/1000 | |
WDJ40-24D5 | 18-36 | +5/-5 | 4/-4 | 81 | 2200/2200 |
WDJ40-24D12 | +12/-12 | 1.67/-1.67 | 83 | 1000/1000 | |
WDJ40-24D15 | +15/-15 | 1.33/-1.33 | 83 | 1000/1000 |
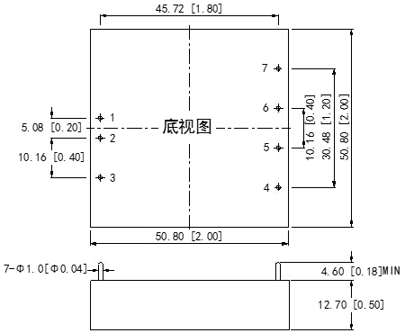
管脚 | 1 | 2 | 3 | 4 | 5 | 6 |
功能 | +Vin | -Vin | CNT | -Vo | TRIM | +Vo |
描述 | 输入正 | 输入负 | 遥控端 | 输出负 |
输出 调节端 |
输出正 |
我们有专业的定制开发团队,可以根据实际的需求来量身订造的轴承应用解决方案。从方案指定,确定方案,订单生产及现场安装,全程贴心服务。如果有需要,请拨打010-61703492电话,我们将尽快安排专业的人员联系您。