美彩国际

板载模块电源 便装加固电源 军用电源 铁路专用电源 医疗专用电源 定制电源
全国咨询热线:010-61703492

美彩国际

铁路专用电源

DC-DC铁路电源模块WDT60-75系列(60-75W)

典型性能: 60-75W输出功率; 宽电压输入 (2:1或4:1); 产品尺寸2.4X2.28 inches(61X57.9X12.7mm); 可以外接散热器辅助散热; 国际标准管脚尺寸
产品详情

  应用领域

  ◆ 铁路系统 ◆ 铁路通信 ◆ 数据互换 ◆ 电力系统

  产品性能

输入电压 Vdc

2141

遥控特性
(正逻辑)

遥控端接-Vin或低电平,禁止输出

遥控端悬空或接高电平,正常工作

输出电压精度 %

±1

电压调节 %Vo

±10

负载调整率 %

±0.5

电压调整率 %

±0.2

动态响应
(过冲/恢复时间)

±4%Vo/400us

纹波/噪声(mV

Vo5Vdc50

Vo12Vdc150

工作壳温

-40 - +100

开关频率KHz

300

短路保护

长期短路自恢复

隔离耐压

输入-输出:1500VdcVin24Vdc

输入-输出:2250VdcVin110Vdc

输入-壳:1500VdcVin24Vdc

输入-壳:2250VdcVin110Vdc

输出与壳:500Vdc

MTBF

3×105

安规要求

GB 9254-2008

  产品选型

型号

输入电压Vdc

输出电压Vdc

输出电流A

效率%

容性能力UF

WDT60-24S5

18-36
W
9-36

5.05

12

84

10000

WDT60-24S12

12

5

87

2200

WDT60-24S15

15

4

87

1000

WDT60-24S24

24

2.2

88

470

WDT60-110S5

66-160
W
40-160

5.05

12

83

10000

WDT60-110S12

12

5

86

2200

WDT60-110S15

15

4

86

1000

WDT60-110S24

24

2.2

87

470

WDT75-24S5

18-36
W
9-36

5.05

15

84

10000

WDT75-24S12

12

6.25

87

2200

WDT75-24S15

15

5

87

2200

WDT75-24S24

24

3.1

88

1000

WDT75-110S5

66-160
W
40-160

5.05

15

83

10000

WDT75-110S12

12

6.25

86

2200

WDT75-110S15

15

5

86

2200

WDT75-110S24

24

3.1

87

1000

  注1:除特殊指定外,所有参数测试条件为:标称输入电压、纯阻性标称负载和25°C室温环境。

  注2:此系列有两倍电压输入和四倍电压输入可选,尾缀加W表示宽压输入。

  注3:满足安规要求需要外围电路,详见产品单页说明书。

DC-DC铁路电源模块WDT60-75系列(60-75W)
DC-DC铁路电源模块WDT60-75系列(60-75W)

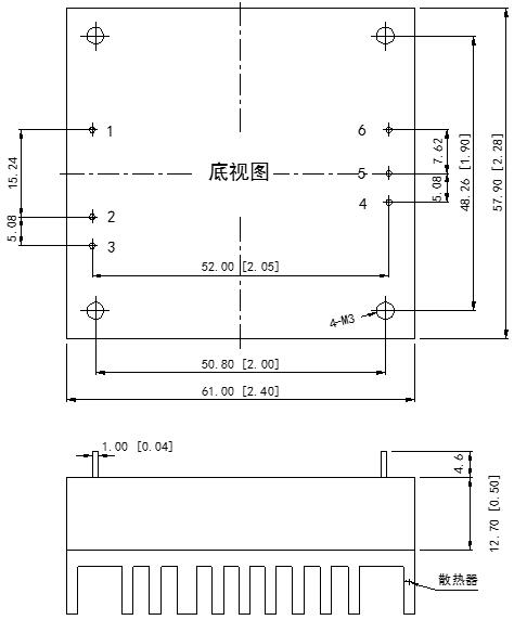
  外形尺寸

DC-DC铁路电源模块WDT60-75系列(60-75W)

  管脚定义

管脚

功能

描述

1

+Vin

输入正

2

-Vin

输入负

3

CNT

遥控端

4

TRIM

输出调节端

5

-Vo

输出负

6

+Vo

输出正


更多产品

我们有专业的定制开发团队,可以根据实际的需求来量身订造的轴承应用解决方案。从方案指定,确定方案,订单生产及现场安装,全程贴心服务。如果有需要,请拨打010-61703492电话,我们将尽快安排专业的人员联系您。

天天中彩票-Welcome首页 500505百万文字论坛综合资料-500308百万文字论坛-780790百万文字论坛红字-798790百万文字论坛下载-500505百万文字论坛雷锋版 乐发vll500 乐盈VI E乐彩-首页 佰富彩-安全购彩 旭彩网 - welcome 98彩票|官方网站