美彩国际

板载模块电源 便装加固电源 军用电源 铁路专用电源 医疗专用电源 定制电源
全国咨询热线:010-61703492

美彩国际

铁路专用电源

铁路专用电源WDHT50-150系列(50-150W)

典型性能: 50-150W输出功率; 宽电压输入(2:1或4:1); 产品尺寸2.28X2.4 inches(57.9X61X12.7mm); 铝基板工艺; 国际标准管脚尺寸; 遥感补偿; 基板过温保护115°C
产品详情

  应用领域

  ◆ 铁路系统 ◆ 铁路通信 ◆ 数据互换 ◆ 电力系统

  产品性能

输入电压 Vdc

2:14:1

遥控特性
(正逻辑)

遥控端接-Vin或低电平,禁止输出

遥控端悬空或接高电平,正常工作

遥控特性
(负逻辑,尾缀/P

遥控端接-Vin或低电平,正常工作

遥控端悬空或接高电平,禁止输出

输出电压精度 %

±1

电压调节 %Vo

±10

负载调整率 %

±0.5

电压调整率 %

±0.2

动态响应
(过冲/恢复时间)

±4%Vo/400us

纹波/噪声(mV

Vo5Vdc50

5VdcVo24Vdc150

Vo48Vdc300

工作壳温

-40 - +100

开关频率KHz

300

短路保护

长期短路自恢复

隔离耐压

输入-输出:1500VdcVin24Vdc

输入-输出:2250VdcVin110Vdc

输入-壳:1500VdcVin24Vdc

输入-壳:2250VdcVin110Vdc

输出-壳:500Vdc

MTBF

3×105

安规要求

GB 9254-2008

  产品选型

型号

输入电压Vdc

输出电压Vdc

输出电流A

效率%

容性能力UF

WDHT50-24S5

18-36
W:9-36

5.05

10

82

10000

WDHT50-24S12

12

4.2

85

1000

WDHT50-24S15

15

3.3

85

1000

WDHT50-24S24

24

2

87

470

WDHT50-24S48

48

1

86

470

WDHT50-110S5

66-160
W:40-160

5.05

10

83

10000

WDHT50-110S12

12

4.2

85

1000

WDHT50-110S15

15

3.3

85

1000

WDHT50-110S24

24

2

87

470

WDHT50-110S48

48

1

86

470

WDHT75-24S5

18-36

5.05

15

85

10000

WDHT75-24S12

18-36
W:9-36

12

6.25

87

2200

WDHT75-24S15

15

5

87

2200

WDHT75-24S24

24

3

88

1000

WDHT75-24S48

48

1.5

87

470

WDHT75-110S12

66-160
W:40-160

12

6.25

87

2200

WDHT75-110S15

15

5

87

2200

WDHT75-110S24

24

3

88

1000

WDHT75-110S48

48

1.5

87

470

WDHT100-24S5

18-36

5.05

20

85

10000

WDHT100-24S12

18-36
W:9-36

12

8.3

87

2200

WDHT100-24S15

15

6.6

87

2200

WDHT100-24S24

24

4.1

88

1000

WDHT100-24S48

48

2.1

87

470

WDHT100-110S12

66-160
W:40-160

12

8.3

87

2200

WDHT100-110S15

15

6.6

87

2200

WDHT100-110S24

24

4.1

88

1000

WDHT100-110S48

48

2.1

87

470

WDHT150-24S5

18-36

5.05

30

86

10000

WDHT150-24S12

18-36
W:9-36

12

12.5

88

2200

WDHT150-24S15

15

10

88

2200

WDHT150-24S24

24

6

89

1000

WDHT150-24S48

48

3

88

470

WDHT150-110S12

66-160
W:40-160

12

12.5

88

2200

WDHT150-110S15

15

10

88

2200

WDHT150-110S24

24

6

89

1000

WDHT150-110S48

48

3

88

470

  注1:除特殊指定外,所有参数测试条件为:标称输入电压、纯阻性标称负载和25°C室温环境。

  注2:此系列有两倍电压输入和四倍电压输入可选,尾缀加W表示宽压输入。

  注3: 满足安规要求需要外围电路,详见产品单页说明书。

DC-DC铁路电源模块WDHT50-150系列(50-150W)
DC-DC铁路电源模块WDHT50-150系列(50-150W)

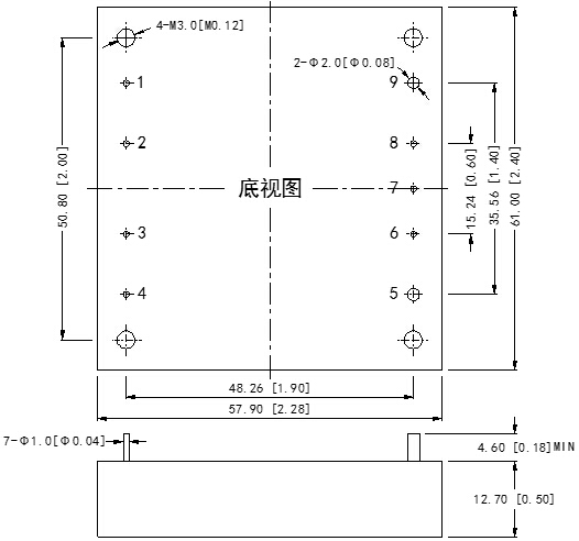
  外形尺寸

DC-DC铁路电源模块WDHT50-150系列(50-150W)

  管脚定义

管脚

功能

描述

1

-Vin

输入负

2

CASE

接壳端

3

CNT

遥控端

4

+Vin

输入正

5

+Vo

输出正

6

+S

正补偿

7

TRIM

输出调节端

8

-S

负补偿

9

-Vo

输出负


更多产品

我们有专业的定制开发团队,可以根据实际的需求来量身订造的轴承应用解决方案。从方案指定,确定方案,订单生产及现场安装,全程贴心服务。如果有需要,请拨打010-61703492电话,我们将尽快安排专业的人员联系您。

天天中彩票-Welcome首页 500505百万文字论坛综合资料-500308百万文字论坛-780790百万文字论坛红字-798790百万文字论坛下载-500505百万文字论坛雷锋版 乐发vll500 乐盈VI E乐彩-首页 佰富彩-安全购彩 旭彩网 - welcome 98彩票|官方网站