
美彩国际应用领域
◆ 铁路系统 ◆ 铁路通信 ◆ 数据互换 ◆ 电力系统
产品性能
|
输入电压 Vdc |
2:1或4:1 |
|
输出电压精度 % |
Vo1:±1 |
|
Vo2:±3 |
|
|
负载调整率 % |
Vo1:±0.5 |
|
Vo2:±4.0 |
|
|
电压调整率 % |
Vo1:±0.2 |
|
Vo2:±1.5 |
|
|
动态响应 |
±4%Vo/400us |
|
纹波/噪声(mV) |
Vo≤5Vdc:50 |
|
Other:100 |
|
|
工作壳温 |
-40℃ - +100℃ |
|
开关频率KHz |
300 |
|
短路保护 |
长期短路自恢复 |
|
隔离耐压 |
输入-输出:1500Vdc(Vin:24Vdc) |
|
输入-输出:2250Vdc(Vin:110Vdc) |
|
|
输入-壳:1500Vdc(Vin:24Vdc) |
|
|
输入-壳:2250Vdc(Vin:110Vdc) |
|
|
输出与壳:500Vdc |
|
|
MTBF |
3×105 |
|
安规要求 |
GB 9254-2008 |
产品选型
|
型号 |
输入电压Vdc |
输出电压Vdc |
输出电流A |
效率% |
容性能力UF |
|
WDT10-24S5 |
18-36 |
5.05 |
2 |
80 |
2200 |
|
WDT10-24S12 |
12 |
0.83 |
83 |
470 |
|
|
WDT10-24S15 |
15 |
0.67 |
83 |
470 |
|
|
WDT10-24S24 |
24 |
0.42 |
84 |
220 |
|
|
WDT10-110S5 |
66-160 |
5.05 |
2 |
81 |
2200 |
|
WDT10-110S12 |
12 |
0.83 |
84 |
470 |
|
|
WDT10-110S15 |
15 |
0.67 |
84 |
470 |
|
|
WDT10-110S24 |
24 |
0.42 |
85 |
220 |
|
|
WDT10-24D5 |
18-36 |
+5.05/-5.05 |
+1/-1 |
81 |
2200/2200 |
|
WDT10-24D12 |
+12/-12 |
+0.42/-0.42 |
83 |
470/470 |
|
|
WDT10-24D15 |
+15/-15 |
+0.34/-0.34 |
83 |
470/470 |
|
|
WDT10-110D5 |
66-160 |
+5.05/-5.05 |
+1/-1 |
81 |
2200/2200 |
|
WDT10-110D12 |
+12/-12 |
+0.42/-0.42 |
83 |
470/470 |
|
|
WDT10-110D15 |
+15/-15 |
+0.34/-0.34 |
83 |
470/470 |
|
|
WDT16-24S5 |
18-36 |
5.05 |
3 |
82 |
2200 |
|
WDT16-24S12 |
12 |
1.25 |
84 |
1000 |
|
|
WDT16-24S15 |
15 |
1 |
84 |
470 |
|
|
WDT16-24S24 |
24 |
0.63 |
85 |
470 |
|
|
WDT16-24D5 |
18-36 |
+5.05/-5.05 |
+1.5/-1.5 |
81 |
2200/2200 |
|
WDT16-24D12 |
+12/-12 |
+0.63/-0.63 |
83 |
470/470 |
|
|
WDT16-24D15 |
+15/-15 |
+0.5/-0.5 |
83 |
470/470 |
|
|
WDT16-110S5 |
66-160 |
5.05 |
3.2 |
82 |
2200 |
|
WDT16-110S12 |
12 |
1.25 |
84 |
1000 |
|
|
WDT16-110S15 |
15 |
1 |
84 |
470 |
|
|
WDT16-110S24 |
24 |
0.63 |
86 |
470 |
|
|
WDT16-24D5 |
66-160 |
+5.05/-5.05 |
+1.5/-1.5 |
81 |
2200/2200 |
|
WDT16-110D12 |
+12/-12 |
+0.67/-0.67 |
83 |
470/470 |
|
|
WDT16-110D15 |
+15/-15 |
+0.53/-0.53 |
83 |
470/470 |
注1:此系列有两倍电压输入和四倍电压输入可选,尾缀加W表示宽压输入。
注2: 满足安规要求需要外围电路,详见产品单页说明书。


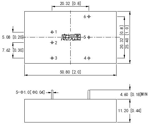
外形尺寸

管脚定义
|
管脚 |
功能(单路) |
描述(单路) |
功能(单路) |
描述(双路) |
|
1 |
+Vin |
输入正 |
+Vin |
输入正 |
|
2 |
-Vin |
输入负 |
-Vin |
输入负 |
|
3 |
NP |
无此管脚 |
NP |
无此管脚 |
|
4 |
-Vo |
输出负 |
Vo2 |
2路输出 |
|
5 |
NP |
无此管脚 |
COM |
公共端 |
|
6 |
+Vo |
输出正 |
Vo1 |
1路输出 |
北京稳固得设计制造AC/DC、DC/DC、DC/AC电源模块,模块化开关电源变换器,工程师拥有多年从事电力电子开发经验。模块电源产品在技术及品质上具备较强的竞争优势,广泛应用于邮电通信设备、基站及用户电源系统、监控系统、铁路信号、电力系统、医疗设备、仪器仪表、工业自动化控制及航空航天、军工等领域。 公司通过了ISO 9001-2008版国际质量体系认证以及GJ B军工质量体系认证。主流标准系列产品通过了CE、TUV、UL、CB、ROHS等测试认证。请拨打400-800-9005电话,我们将尽快安排专业的人员联系您。