美彩国际

板载模块电源 便装加固电源 军用电源 铁路专用电源 医疗专用电源 定制电源
全国咨询热线:010-61703492

美彩国际

SIP非隔离DC-DC

SIP非隔离DC-DC模块电源SIPXX16系列

典型性能: 提供高达16A的输出电流; 产品尺寸2X0.5 inches(50.8X12.7X7.62mm); 工业标准封装; 同步整流技术; 无最小负载要求; 输出电压通过电阻可编程; 遥控功能; 过电流保护; 过温保护
产品详情

  应用领域

  ◆ 电信 ◆ 数据互换 ◆ 电力系统 ◆ 计算机系统

  产品性能

输入电压 Vdc

4.5-14

遥控特性

(SIP05)

遥控端接+Vin,禁止输出

遥控端悬空或接-Vin,正常工作

遥控特性

(SIP12)

遥控端悬空或接+Vin,正常工作

遥控端接-Vin,禁止输出

输出电压精度 %

±2 (SIP05、SIP12)

电压调节 V

0.75-3.63 (满载)

远传补偿 V

0.5

负载调整率 %

±0.5 (仅限SIP12)

±1.0 (仅限SIP05)

电压调整率 %

±0.5 (满载)

±1.5 (仅限SIP05)

启动时间 ms

10

动态响应

(过冲/恢复时间)

±4%Vo/50us

纹波/噪声(mV)

50

120 (仅限SIP05)

环境温度

-40℃ - +85℃ (辅助散热)

开关频率KHz

900

短路保护

长期短路自恢复

隔离耐压

非隔离

MTBF

5×106

  产品选型

型号

输入电压 Vdc

输出电压 Vdc

输出电流 A

效率 %

容性能力 UF

SIP0516

4.5-5.5

0.8-3.65

16

90 @

3.3V/16A

5000 (ESR≥10 mΩ)

1000 (ESR≥1 mΩ)

SIP1216

10-14

0.8-3.65

16

92 @

5V/16A

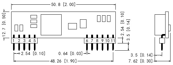
  外型尺寸

  管脚定义

管脚

1

2

3

4

5

6

功能

+Vo

+Vo

Sense

+Vo

GND

GND

描述

输出正

输出正

遥测端

输出正

接地端

接地端

管脚

7

8

9

10

11

 

功能

+Vin

+Vin

NC

TRIM

CNT

美彩国际  

描述

输入正

输入正

空管脚

输出调节端

遥控端

 

 

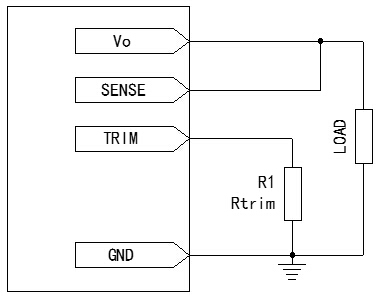
  调节电压标准阻值(KΩ)列表

  (推荐采用1%或0.5%的精密电阻)

输出电压

输入3~5.5V

输入10~14V

0.7525

OPEN

OPEN

1.0

80.6

41.2

1.2

42.2

22.6

1.5

23.2

13.0

1.8

15

9.09

2.0

11.8

7.32

2.5

6.98

4.99

3.3

3.16

3.09

5.0

-

1.21


更多产品

美彩国际 我们有专业的定制开发团队,可以根据实际的需求来量身订造的轴承应用解决方案。从方案指定,确定方案,订单生产及现场安装,全程贴心服务。如果有需要,请拨打010-61703492电话,我们将尽快安排专业的人员联系您。

天天中彩票-Welcome首页 500505百万文字论坛综合资料-500308百万文字论坛-780790百万文字论坛红字-798790百万文字论坛下载-500505百万文字论坛雷锋版 乐发vll500 乐盈VI E乐彩-首页 佰富彩-安全购彩 旭彩网 - welcome 98彩票|官方网站