美彩国际

板载模块电源 便装加固电源 军用电源 铁路专用电源 医疗专用电源 定制电源
全国咨询热线:010-61703492

美彩国际

SIP非隔离DC-DC

SIP非隔离DC-DC模块电源DIP1210系列

典型性能:提供高达10A的输出电流; 产品尺寸0.91X0.66 inches(23.11X16.76X10.5mm); 工业标准封装; 同步整流技术; 无最小负载要求; 输出电压通过电阻可编程; 遥控功能; 过电流保护; 过温保护
产品详情

  应用领域

  ◆ 电信 ◆ 数据互换 ◆ 电力系统 ◆ 计算机系统

  产品性能

输入电压 Vdc

4.5-14

遥控特性

遥控端悬空或接+Vin,正常工作

遥控端接-Vin,禁止输出

输出电压精度 %

±2

电压调节 V

1-5.5 (满载)

远传补偿 V

0.5

负载调整率 %

±0.5

电压调整率 %

±0.5

启动时间 ms

1

动态响应

(过冲/恢复时间)

±4%Vo/200us

纹波/噪声(mV)

100

环境温度

-40℃ - +85℃ (辅助散热)

开关频率Hz

600

短路保护

长期短路自恢复

隔离耐压 V

非隔离

MTBF

5×106

  产品选型

型号

输入电压Vdc

输出电压Vdc

输出电流A

效率%

容性能力UF

DIP1210

4.5-14

1-5.5

10

92

20000

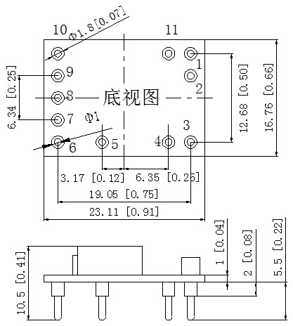
  外型尺寸

 

  调节电压标准阻值(KΩ)列表

  (推荐采用1%或0.5%的精密电阻)

 

输出电压(Vdc)

调节电阻(KΩ)

5.0

0.169

3.3

1.21

2.5

2.37

1.8

4.75

1.5

6.98

1.2

12.1

1

20.5

0.7

681

  管脚定义

管脚

1

2

3

4

功能

NC

Vin

GND

GND

描述

空管脚

输入正

接地端

接地端

管脚

5

6

7

8

功能

Vo

+S

-S

TRIM

描述

输出正

正补偿

负补偿

输出调节端

管脚

9

10

11

美彩国际  

功能

NC

NC

CNT

 

描述

空管脚

空管脚

遥控端

 


更多产品

我们有专业的定制开发团队,可以根据实际的需求来量身订造的轴承应用解决方案。从方案指定,确定方案,订单生产及现场安装,全程贴心服务。如果有需要,请拨打010-61703492电话,我们将尽快安排专业的人员联系您。

天天中彩票-Welcome首页 500505百万文字论坛综合资料-500308百万文字论坛-780790百万文字论坛红字-798790百万文字论坛下载-500505百万文字论坛雷锋版 乐发vll500 乐盈VI E乐彩-首页 佰富彩-安全购彩 旭彩网 - welcome 98彩票|官方网站